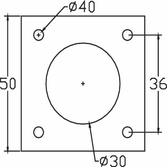
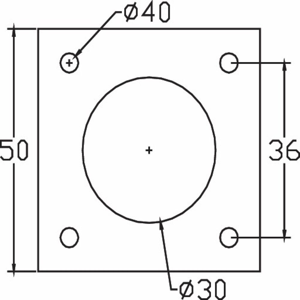
Ronde poot Ø 35 H-190 met plaat aluminium verstelbaar
De verstelbare poot is leverbaar in de hoogte 60mm 100mm 120mm en 160mm